< Previous | Contents | Next >
Annex 1 Strengthening for navigation in ice
101. Application
1. For ships trading in Northern Baltic in the winter under the control of the Regulations "Finnish- Swedish Arc class Rules 2010", attention is to be paid to the following restrictions :
(1) The administrations of Sweden and Finland (hereafter the Administrations) provide Icebreaker as- sistance to ships bound for ports in respective countries in the winter season. Depending on the ice conditions, restrictions in regard to the size and Arc class of ships entitled to Icebreaker as- sistance are enforced.
(2) Ships entitled to assistance under the restrictions of the preceeding (1) are requested to follow the instructions by the Icebreakers when operating in icebound waters and will receive assistance when such is needed.
(3) The Administrations can not take responsibility for the safety of ships which enter ice bound waters ignoring the size and Arc class restrictions or any instructions by the Icebreakers.
(4) Merely the compliance with these regulations must not be assumed to guarantee any certain de- gree of capability to advance in ice without Icebreaker assistance nor to withstand heavy ice jamming.
(5) It should be noted that small ships will have somewhat less ice going capability as compared with larger ships having the same Arc class.
(6) If a ship, because of very unconventional proportions, hull form or propulsion arrangements, or any other characteristics, in practice turns out to have exceptionally poor ice going capability,
the Administrations may lower its Arc class.
(7) It shall be noted that for ships of moderate size (displacement not exceeding 30,000 tons) fork towing in many situations is the most efficient way of assisting in ice.
(8) Ships with a bulb protruding more than 2.5 m forward of the forward perpendicular are often difficult to tow in this way. The Administrations reserve the right to deny assistance to such
ships if the situation so warrants.
(9) An ice strengthened ship is assumed to operate in open sea conditions corresponding to a level ice thickness not exceeding . The design height( ) of the area actually under ice pressure at
any particular point of time is, however, assumed The values for and are given in Table 1.1.
to be only a fraction of the ice thickness.
Table 1.1 Values for and
Arc class | (m) | (m) |
IA Super | 1.00 | 0.35 |
IA | 0.80 | 0.30 |
IB | 0.60 | 0.25 |
IC | 0.40 | 0.22 |
102.
Classification of ice strengthening
1. The correspondence of Arc classes specified in Ch 1, 201. of the Rules with those in the
Finnish-Swedish Arc class Rules 2010 is given in Table 1.2.
2. The correspondence of Arc classes specified in Ch 1, 201. of the Rules with
Shipping Pollution Prevention Regulation is given in Table 1.3.
those in the Arctic
![]()
Table 1.2 The correspondence of Arc classes between the Society and the Finnish-Swedish Arc class Rules 2010
Arc class of the Rules | Arc class of the Finnish-Swedish Arc class Rules 2010 |
IA Super | IA Super |
IA | IA |
IB | IB |
IC | IC |
* | II |
Note : * ID class of the Society is not equal to II class of the Finnish-Swedish Arc class Rule, because ID class requires strengthening of forward region. | |
Table 1.3 The correspondence of Arc classes between the Society and the Arctic Shipping Pollution Prevention Regulation
Arc class of the Society | Arc class of the Arctic Shipping Pollution Prevention Regulations |
IA Super | Type A |
IA | Type B |
IB | Type C |
IC | Type D |
ID | Type D |
103. Arc class Draught Marking
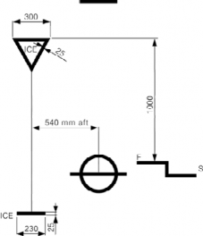
The ship's sides are to be provided with a warning triangle and with a draught mark at the max- imum permissible Arc class draught amidships (see Fig 1.1). The purpose of the warning triangle is to provide information on the draught limitation of the vessel when it is sailing in ice for mas- ters of Icebreakers and for inspection personnel in ports.

![]()
Fig 1.1 Arc class draught marking
![]()
(1) The upper edge of the Warning Triangle is to be located vertically above the “ICE” mark, 1000 mm higher than the Summer Load Line in fresh water but in no case higher than the deck line. The sides of the triangle are to be 300 mm in length.
(2)
(3)
The Arc class draught mark is to be located 540 mm abaft the centre of the load line ring or 540 mm abaft the vertical line of the timber load line mark, if applicable.
The marks and figures are to be cut out of 5 - 8 mm plate and then welded to the ship's side. The marks and figures are to be painted in a red or yellow reflecting colour in order to make
the marks and figures plainly visible even in ice conditions.
(4) The dimensions of all figures are to be the same as those used in the load line mark.
104. Validity
The validity of the powering requirement in Ch 1, Sec 3, 302. for Arc classes IA Super, IA, IB and IC, and verification of calculated powering requirements, is as following.
1. Range of validity
The range of validity of the formulae for powering requirements in Ch 1, Sec 3, 302. is pre-
sented in Table 1.4. When calculating the parameter DP/T, T shall be measured at the draught amidships.
largest
Table 5.4 The range of parameters used for validation of the powering requirement
Parameter | Minimum | Maximum |
(deg) | 15 | 55 |
(deg) | 25 | 90 |
(deg) | 10 | 90 |
(m) | 65.0 | 250.0 |
(m) | 11.0 | 40.0 |
(m) | 4.0 | 15.0 |
0.15 | 0.40 | |
0.25 | 0.75 | |
0.45 | 0.75 | |
· | 0.09 | 0.27 |
2. Verification of calculated powering requirements
To check the results of calculated powering requirements, Table 1.5 is presented with input data for a number of sample ships.
![]()
![]()
Table 1.5 Parameters and calculated minimum engine power of sample ships
Sample ship No. | |||||||||
1 | 2 | 3 | 4 | 5 | 6 | 7 | 8 | 9 | |
Arc class | IA Super | IA | IB | IC | IA Super | IA Super | IA | IA | IB |
(deg) | 24 | 24 | 24 | 24 | 24 | 24 | 36 | 20 | 24 |
(deg) | 90 | 90 | 90 | 90 | 30 | 90 | 30 | 30 | 90 |
(deg) | 30 | 30 | 30 | 30 | 30 | 30 | 30 | 30 | 30 |
(m) | 150 | 150 | 150 | 150 | 150 | 150 | 150 | 150 | 150 |
(m) | 25 | 25 | 25 | 25 | 25 | 25 | 25 | 25 | 25 |
(m) | 9 | 9 | 9 | 9 | 9 | 9 | 9 | 9 | 9 |
45 | 45 | 45 | 45 | 45 | 45 | 45 | 45 | 45 | |
70 | 70 | 70 | 70 | 70 | 70 | 70 | 70 | 70 | |
500 | 500 | 500 | 500 | 500 | 500 | 500 | 500 | 500 | |
5 | 5 | 5 | 5 | 5 | 5 | 5 | 5 | 5 | |
Prop. No. / Type | 1/CP | 1/CP | 1/CP | 1/CP | 1/CP | 1/CP | 1/CP | 1/CP | 1/FP |
New Ship(kW) (see Ch 1, Sec 3, 302.2) | 7840 | 4941 | 3478 | 2253 | 6799 | 6406 | 5343 | 5017 | 3872 |
Existing ships(kW) (see Ch 1, Sec 3, 302.3, 302.4) | 9192 | 6614 | 8466 | 7645 | 6614 | 6614 | |||
![]()